随着全球对可再生能源的需求增加以及对碳排放的关注,光伏半导体市场在过去几年中得到了快速发展,并且预计在未来仍将保持增长态势, 我们的产品旨在提高电网基础设施的恢复能力和能效,无论是通过连接电池供电的智能仪表、管理分布式能源、双向电动汽车充电或实时数据。我们的解决方案实现了高效的电力输送和更智能的电网,同时符合全球合规标准并支持未来的负载模式,确保长期可靠性
产品应用
电池管理
适用于锂离子充电管理控制器 锂离子和镍氢电池的智能电池充电 可编程充电器的开关智能电源
可再生能源/太阳能电池管理
电池管理
数字照明控制
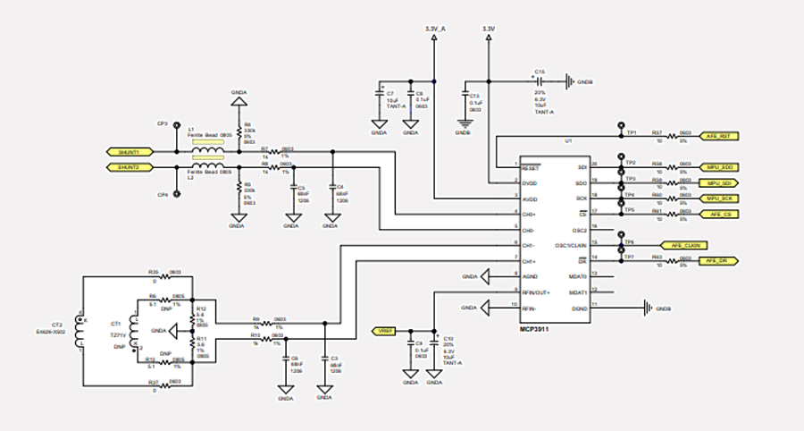
电源监控
家庭自动化电源监控实时测量电源输入
智能配电单元
智能照明
能量存储系统
功率变换系统 (PCS)智能电气面板
电池储能系统
移动式发电站
太阳能光伏充电应用案例
低功耗音频逐渐成为取代电池供电设备(例如可听戴设备和可穿戴设备)


首页
E-Mail: tom@huasin-tech.com
微信: +86 13713557265
电话: 86-755-21006036
Whatsapp: +086-13760117756